CoBo-CPU : Operation and Programming
This is just a quick look into the way the CoBo-CPU is programmed.
I'm doing this as a primer because the programming differs quite a bit from the usual way CPUs are programmed.
There will be a complete article just about CoBo programming with way less prose, and much more details.
Limits
Since the architecture is very limited, the CPU can perform only two instructions: "Read From Memory" and "Write To Memory".
This may seem a bit lacking. But there's parameters. Something like:
"Where does the memory address come from?" or "Where does the data end up after a read?"
Or you choose to perform a left shift while you're writing data.
Maybe you want to add a condition to only write when the carry flag is set.
It's the combination of parameters like these for each read and write that turn this simple data mover into a working CPU.
Each read or write has at least two parameters:
r dp dr
'r'
is the instruction: "read".
The first parameter tells the CPU which register is used to address the memory.
In this case it's 'DP' - the Data Pointer.
The second parameter sets the destination for the data that is read from memory.
In the example the data is read into the Data Register (DR).
Likewise a simple write looks like this:
w dp dr
Again, the address is taken from DP. The data that is written into the memory comes from DR.
'w' means "write", of course.
The order of the first two parameters DOES NOT denote any direction of data flow.
Hence the two registers have not changed place between the read and the write instruction.
The first parameter is always the register that provides the memory address,
and the second parameter always determines where the data comes from or goes to.
Therefore, a more general format of a read instruction would be:
r <address-source> <data-destination>
or likewise, a write would be:
w <address-source> <data-source>
In total, there are six registers that can be used as address-source, data-source or data-destination:
dp,
dr,
ic,
ir,
io,
st.
But wait, there's more!
There is also a bunch of parameters available for logic operations and conditional execution. Also, there's a few nifty tricks that I designed into the architecture that make a programmers life a little easier.
A more complicated instruction could look like this:
w dp dr
and.0 cc
This is an actual instruction I used in a program.
It does three things:
- check if the carry flag is clear (
)cc
if clear: - do a logic AND between DR and 0x0000 (
)and.0 - write the result of "DR AND 0x0000" into memory pointed to by DP (
w dp dr)
I just wrote them out in a way that makes sense from a logical point of view.
The actual order is determined by the hardware architecture.
Especially because the CPU has no idea how you've written the line in your code,
because every line is turned into one 16 bit word.
Also, the parameters '' and 'and.0' are optional parameters
which can appear in any order in the instruction line.
cc
But what does the instruction actually do?
It clears a memory location depending on the state of the carry flag.
In C you would write: if(!carry) SYSTEM_MEMORY[DP] = 0;
Or more precise: if(carry == 0) SYSTEM_MEMORY[DP] = DR & 0;
Of course, DP has to be set in advance to point to the right location, duh.
The other thing the keen eye might have spotted
is the rather stupid action of ANDing DR with 0.
Because it'll always yield zero.
That's the point.
We don't actually care about the value in DR here, the only thing we want is putting out a zero.
However, the output of DR is ALWAYS sent through the ALU.
So, the only way to get a zero regardless of the value of DR is: DR AND 0.
Cumbersome you might say, but look at this:
r ic dp +1 ; load pointer from a literal
#0xAB12 ; literal: address of variable
w dp dr and.0 cc
; set variable to 0x0000 if carry is clear
w dp dr or.1 cs
; set variable to 0xFFFF if carry is set
Looks like a pretty quick way to conditionally initialize a variable in two different ways. (The '+1' in the first line means that there's a literal following the instruction)
At 1MHz that takes just 4 microseconds. (Well - "just" - but you get the point)
Don't be confused by the '' and '.0'.
.1
Those numbers aren't actual values, it's just one bit that tells the CPU to use either
0x0000 (.0) or 0xFFFF (.1) as the second operand for AND and OR.
There are no options available other than .0 or .1 !
Of course, you can also write something like:
w dp dr ,
which just writes DR to the memory unchanged, unconditionally, but it does adjust the flags, too.
So, it could be used as a check if DR is zero.
(there's better ways for that, though)
and.1
Just for fun, the four lines of CoBo code from above would look like this in C/C++:
if(carry)
*variable = 0xFFFF;
else
*variable = 0;
Assuming that 'variable' is at 0xAB12 in memory.
CoBo-CPU : Introduction
Question: What do you do when you have started too many projects and have yet another idea?
Answer: You tell yourself this is too great of an idea to not add it to the pile of unfinished things.
Why? Because I can!The Idea
What if a Turing Machine would actually be a (somewhat) useful CPU?
When Alan Turing layed out his idea of a universal computing machine he designed it as simple as possible. He, being a mathematician made his life "easy" by defining some of the parts of that machine as infinite: The memory for example. He also decided to separate the "Data Storage" from the "Program Storage" which is not ideal for a simple implementation of a CPU.
So, unlike the classic definition of a Turing Machine my implementation does not use infinite amount of memory and does not separate data from machine code. In fact, my design uses just 16 bits of address space which is quite far away from infinity.
The CoBo Design
CoBo stands for "Cobbled & Bodged". Which describes the hardware implementation perfectly.
One of the reasons I started this project was that I have tons of LS74HC*** logic chips laying around which I wanted to use for – something.
One of the goals – a challenge, rather – was to only use my existing stock and not buying any more logic chips for that project. Because of this situation, some of the solutions seem quite strange and cumbersome. For example, the implementation of the ALU, which could be done using actual full adders but is instead implemented with "discrete" AND and XOR logic chips.
The Architecture
As you can see, it’s not much of an architecture compared to other simple CPU designs. But the goal was to only add the things that turn the impractical design of the turing machine into a (somewhat) practical CPU.
That includes more than 1 bit of number range and an ALU that can do some level of actual computation. The things that are similar to the turing machine are the instruction counter which represents the "state" of the machine, the data pointer which represents the position of the "read head" and the data register which represents the contents read by the "read head". Things like the instruction register and the instruction decoder are more or less necessary "infrastructural" elements of the system.
Some details about the architecture:- All registers are 16bit wide
- The instruction counter is an actual counter that can be parallel loaded like a register
- The ALU is only capable of the following operations: +1, -1, AND, OR, XOR, Shift left/right
- There’s a carry and a zero flag
- Every instruction can be conditional
- Separate memory and IO address space
- Every instruction is executed in one cycle
- Interrupt input (must be queried in software)
So Far So Good
Before I started to design the actual hardware I designed the entire thing in LogiSim to see if it would even work. It does. It also gave me the opportunity to iron out some kinks in the system that aren't immediatly obvious. Like, where do I get the second operand from when doing a two-operand computation while writing the result into memory. Hence the [0x0000 / 0xFFFF] block in the diagram above. One of the two values can be chosen as the second operand. The first operand is always the data register.Spontaneous Lamp Build
New Toy - The Sequel
Previously on DIY-HomeWorks: Plexus got a nice little prototyping board from his buddy. Little did he know that it would bring him a week full of wonder, excitement and tedious bug fixing.
It was a drizzly Friday when I wrote the first article about that prototyping board. After a weekend worth of feature creep I ended up with this feature list:
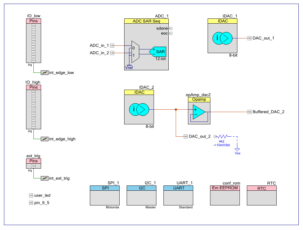
- 16bit GPIO | Input: Hi-Z, Pull-Up | Output: Totem-Pole, Open-Drain | In/Out "LED Mode" with inline resistor (built-in)
- Separate high byte, low byte, word access | Burst output of up to 255 bytes/words
- Control via RS232 | protocol optimized for efficiency | default: 57600 BAUD 8N1 | Max: 230400 BAUD
- 2x Current DAC | 8 bit | DAC 2 can be buffered via internal OpAmp
- 2x ADC | 12 bit
- Edge triggered readout of IO
- Periodic readout of IO & ADC | 0.001 – 65 sec interval
- External triggered readout of IO & ADC
- Pulse generator | 15mHz – 500kHz | shortest pulse: 1µs
- ADC live monitoring
- Console access for easy manual control & monitoring
- Highly configurable
While this doesn't look too bad, it turned out to be quite the workload.
The Motivation
Once in while I need a simple 16bit GPIO module that I can easily control via good old RS232. Getting a decent 16bit PIO is hard enough on it's own, but getting one that brings a flexible RS232 interface can get pretty expensive pretty quickly. That's where that Module comes in. It's the CY8CKIT-043 an ARM Cortex PSoC 4200M Series Prototyping Kit from Cypress. (Update May 2022: Cypress was bought by Infineon, apparently. Links still work, though.)
Since I got it as a "here, have fun with it", and had no immediate use for it, I thought I implement my own 16bit GPIO module. I can always use it for something else later.
Unfortunately, I thought it would be a waste to ignore all the neat features of that controller. ADC, DAC, many timers, many different input and drive modes of the IO pins, programmable logic, … . So I added a lot of features to the thing. To the point where I think this could be useful for other people as well. But! Many of the peripheral modules of the controller can be configured in many different – useful – ways. So that screams for implementing an interface to make all those settings. Also, find a way to store some of them nonvolatile. And add someting to be able to read out that configuration. And document the whole shebang.
The goal was to have the interface as simple as possible but still easy to handle by hand. That meant no additional software should be necessary to work with the module. To prove my point in a pretty nerdy way, I hooked it up to a 25 year old VT100 terminal. Oh, do I love that font :D
The terminal shows the short version of the status screen (command 'q', long version: [Space]). Above the status screen is the command I entered to get the low byte set to output, switch on the LED and show the status screen. The exclamation marks behind each command is the acknowledge character from the PIO. The USB hub is just the power supply.
How-To
In its simplest form it's just the Module as it is. You download and install the development environment, download and unpack the project files, plug in the PSoC-Board, 'Build' and 'Program', done. PIO ready to roll at 57600 BAUD 8N1.
GPIO – Port 0 (Low Byte) & Port 2 (High Byte)
All pins can be configured individually. Either input(1) or output(0). If set to input, a pull-up resistor (~5k) can be switched on. The output can be either in a low impedance totem pole or open drain configuration. The low byte is on port 0, the high byte on port 2.
Due to the construction of the output stage of the controller, inputs with pull-ups must be held in a high state from a software point of view. So, all pins that are set to input are always set to high by the firmware. The last value that was sent to the port is cached so that pins are set to the right state when they're changed from inputs to outputs, this makes it possible to do stuff like Charlieplexing, where pins are set while they're still Hi-Z.
This was created by using the burst transfer function. That allows the the transmission of up to 255 bytes or words without having to send a command between the actual values.
For example, the command to "draw" the 'P' is: W0700007fff40804080408040800300
W07 means: burst length is 7 words (16bit). The next 28 characters are 7 groups of four characters which are the 16bit values.
(Don't try to map the bits to what you see on the scope. The 7 lines of the digital IO on the scope are spread out over the two ports of the PIO.)
ADC – Pins 1.4 (Ch1) & 1.5 (Ch2)
It's a 12bit ADC, set up to sample 2 channels. It is pretty precise, it's maximum value is 2.048 V, and it clips at pretty much that exact value. The overall linearity is surprisingly high. Guess, we've come a long way with micros these days. There's an ADC monitor mode (command ~M), which reads both ADC channels every 50ms. It's only useful when used in a terminal.
DAC – Pins 4.0 (DAC1) & 5.0 (DAC2) also pin 5.2 (DAC 2 Buffered)
DACs are 8bit current DACs. That means the input value is translated into a current rather than a voltage. A resistor is needed to turn the current into a voltage. The maximum output current is 612µA. A good choice would be 4.2k so that the end value translates roughly to 2.55 Volts which is about 10mV per bit. The exact value would be 4.17k. If you get really bad 4.3k resistors, maybe salvaged, there might be a 4.2k or even 4.17k amongst them. Or you just use a trimmer pot. The specified current value for the DAC is 2.4µA per bit.
In addition to the regular output, DAC 2 is internally connected to an op-amp. If the op-amp is switched on, it buffers the voltage on the output of DAC 2 with a gain of 1 and outputs it on pin 5.2. For this to work a resistor is needed from pin 5.0 to GND. (See previous paragraph)
The polarity of both DACs can be set to positive or negative. If it's set to positive the DAC sources current towards GND. If it's set to negative it sinks current from VDD.
I²C Interface – Pins 7.0 (SCL) & 7.1 (SDA)
Sending and receiving I²C data is a bit more involved due to the "complexity" of the interface. Since I²C is used by tons if different peripheral devices, I tried to make the protocol as flexible as possible.
The protocol consists of a series of data bytes (two hex digits) and separators (a single character). Multiple data bytes can be combined to form a complete interaction with a I²C device.
The following image shows a transaction between the GPIO and a serial EEPROM memory chip. First the device address with the R/W bit=0 (write) is sent, then two bytes with the memory address are sent, each followed by an ACK from the slave. After that a “Restart” condition is sent, followed by the device address again, this time the R/W bit is 1 (read). After the ACK from the slave, the master continues to clock to read data from the I²C memory. In this case, the value 0x42 (0100 0010) is read. After that a NOACK is sent by the master to inform the slave that no further data will be read.
ga0+12+34+a1s00r
Which means: 'g' : start I²C command, 'a0' : device address with R/W bit 0, '+' : more bytes to come, '12' : high byte of the memory address, '+' : same, '34' : low byte, 'a1' : device address with R/W bit 1, 's' : insert a restart before sending 'a1′, '00' : dummy byte to create clock pulses for reading, 'r' : read data during dummy byte. Because the last byte is data that's sent by the memory device, the dummy byte ('00') is ignored and the value 0x42 is placed on the bus by the memory. The 'r' also terminates the transaction with the device by sending a NOACK and a "Stop" condition. It also terminates the I²C command sequence for the GPIO. For detailed information on the protocol read the section about SPI. Differences to SPI: There's no 'p' or 'P'. Instead of a pause, I²C uses the restart condition which is inserted via 's' (see above). The 'r' and 'R' separators send NOACK and ACK respectively.
SPI Interface – Pins 4.0 (MOSI), 4.1 (MISO), 4.2 (CLK), 4.3 (CS)
The SPI interface works just like I²C. So here are some more details about the protocol.
Except for the initial prefix 'e' for SPI commands or 'g' for I²C the protocol is suffix controlled. That means that the separator acts on the preceeding byte. In the command: ga1+12R34r, the 'R' means “read a byte while writing a 0x12. Bytes written during reads are usually dummy bytes to creates clock cycles. So their value doesn't matter. However, some SPI devices might read and write at the same time.
The available separators are:
- + = more bytes follow
- r = read byte and terminate message
- R = read byte but don't terminate
- p = insert pause, by deactivating CS for 10µs
- P = insert pause and read
- . = terminate message
The separators '+', 'p', 'P' and 'R' always expect another byte. There's a certain limit on how many commands can be sent in a single message. This depends on the BAUD rate, the type of command and the device. I highly recommend to hook up an osci to get a look at the relationship between the RS232 data and the SPI message (or I²C) to determine if the commands work properly.
In the following examples I assume device address 0x50 and the read/write bit is bit 0 (LSB).
e50+01+f0.
'e' initiates an SPI message. 1st, the device address with R/W=0 (write) is sent, followed by two bytes. '.' terminates the message and the firmware returns to idle state.
1st example: e51+00r / 2nd example: e51+00R00r
Here the device address is sent with R/W=1 (read), hence 0x51. The 1st example reads one byte, the second example reads two bytes. All 0x00 are dummy bytes to create clock cycles.
e50+aa+55p51+00R00R00r
1st byte (device address) with R/W=0 again (write), then two bytes
0xaa and 0x55 are sent. After that the CS signal is deactivated using
the separator 'p'. 10 microseconds later CS is activated again and the
device address with R/W=1 is sent to then read three bytes in a row (00R00R00r).
It depends on the CS polarity if CS is raised or lowered during the
pause. The same access to the device could be done in two separate
commands:
1st: e50+aa+55.
followed by: e51+00R00R00r
Note that a message can be cancelled using [ESC] when a separator is excpected, or '.' when a byte is expected.
Pulse Generator – Pin 3.7
There's not much to tell about the pulse generator. It has two input clock settings (1 kHz or 1 MHz) in order to get the wide frequency range. After playing around with it, I discovered a few downsides of the simple timer/flipflop arrangement – mainly jitter. From a frequency perspective it get's quite coarse at the upper end. Top is 500kHz, one bit down: 330 kHz, -1 again => 250 kHz, you get the idea. It only feels linear if you think in seconds (milli/micro).
Cyclic Readout, Egde Trigger and External Trigger – Pin 3.6 (Ext. Trigger)
Automatic data readout can be triggered by either a timer, a change of value on one of the ports or by an external trigger. See the command listing for details on how to use it.
The Edge triggering can be configured for each pin individually. Edge triggering also triggers the IO monitor (command 'M').
Cyclic readout can be activated in steps of 1 ms, up to 65535 ms. However, the minimum interval depends on the BAUD rate settings and the type of data that's sent. I made a test at 115200 BAUD, the minimum interval was 2ms when reading out the word with full timestamp and '\r\n' as separator. When just reading out the word value, I got down to 1ms interval.
RS232 and User Interface – Pins 1.0 (Rx) & 1.1 (Tx)
No magic happens around the RS232 interface. It's standard TTL level. The common – nay ubiquitous – FTDI TTL232-to-USB converters will work fine. I designed the command syntax so that it's quite efficient for fast interaction with the IO peripherals. It's not so much designed for interaction with a human. It's primarily meant to be used via a software that runs on a PC, a µC or an embedded system. That's why the default number-base is hexadecimal. Hex letters are always lower case (abcdef). The output can be switched to upper case hex letters or to decimal . Whenever useful multiple bases are displayed.
Decimal Input
There are some commands that allow decimal input. It follows the
reverse input notation. Means, the number is entered and then followed
by the command character, like: 123h to set the high byte to 123(dec). Or you enter 12345w to set the whole word to 12345(dec), which would be equivalent to typing: w3039
Number digits have to be entered consecutively, any other character will
reset the input buffer. There are only a few commands that support
decimal input:
l, h, w, a, o, x, A, O, X, s, z, P, L, ~a, ~b
To make it easier to work with hex numbers, there's a dec->hex converter built in, command: '#'.
The Commands
Commands are case sensitive! Due to the fact that the feature list got a little out of hand I had to cramp many commands into the software, in a somewhat sensible way, just using ASCII. So the command for reading the port value as a word (16bit) became 'D' as in dump, because 'w' and 'W' were used for other functions. "Clear word" became 'F' for "flush" and so on.
Commands are not terminated. That means for hex input, after the last digit is typed the value is used by the given command routine. After typing P12ab the pulse generator immediately jumps to 4779 ms period.
The same goes for decimal input the number is terminated by the command character, but the command itself is not terminated any further. You type: 123~a – bam – DAC 1 changes its value (if it's not at 123(dec), already, duh).
It might be easier to work with the IO board when echoing is activated '*X01'
This is the list of all available commands:
<nn> = one HEX byte (lower case letters !!)
<nnnn> = two HEX bytes (one HEX word)
-------------------------------
l<nn> - set low byte (port 0)
h<nn> - set high byte (port 2)
w<nnnn> - set word
a<nn> - port AND byte -> port
o<nn> - port OR byte -> port
x<nn> - port XOR byte -> port
A<nnnn> - port AND word -> port
O<nnnn> - port OR word -> port
X<nnnn> - port XOR word -> port
c - clear low byte
C - clear high byte
F - clear word (flush)
s<n> - set bit, bit number as one hex digit (0..f)
z<n> - clear bit (zero)
i - invert low byte
I - invert high byte
N - invert word (negate)
r - read low byte; returns 2 HEX digits "hh"
R - read high byte
D - read word (dump); returns 4 HEX digits "hhhh" (MSB left)
S - read ADC value (pin 1.4 & 1.5), result depends on *X4
P<nnnn> - set pulse generator period, 0000 disables pulse generator
L<nnnn> - set pulse width (length) !! Pulse Generator on Pin 3.7 !!
M - PIO monitor on/off (edge triggered)
[SPACE] - show register status
? - this help page
# - convert decimal number to hex
. - cancel transmission, acknowledged by '#'
[ESC] - cancels all automatic readouts (kinda buggy)
b<nn><...> - send low byte burst, <nn> is number of bytes in burst
<...> = 2byte hex values, no separator: b<nn><d0><d1>...<dn>
B<nn><...> - send high byte burst; bursted data is not cached
W<nn><...> - send word burst, <nn> is number of words (4byte hex value)
-------------------------------
~a<nn> - set value for DAC 1 (pin 4.0)
~b<nn> - set value for DAC 2 (pin 5.0, buffered on 5.2 (see *?)
~P<nn> - set DAC polarity; 0=negative (sink), 1=positive (source)
each digit for one DAC: <ab>, (<10> -> (DAC1+, DAC2-))
~r<nnnn> - read ADC value repeatedly every <nnnn> msec
~M - monitor ADCs (pin 1.4 & 1.5) (50ms Interval)
-------------------------------
*D<nnnn> - set pin direction (1=in, 0=out; default 0xffff)
*O<nnnn> - set output type (0=totem-pole, 1=open drain; default 0000)
*P<nnnn> - enable strong pull-up (~5k, can drive LEDs),
0=off, 1=on, default 0000, ignored if output is totem-pole
*L<nnnn> - LED mode (can also be used as input to read simple switches)
overrides all other port settings! 0=on, 1=off, default 0000
*T<nnnn> - trigger readout on rising edge @ specific pin,
0=trigger off, 1=trigger readout
*t<nnnn> - trigger readout on falling edge @ specific pin
*r<nnnn> - read low byte repeatedly every <nnnn> msec,
0000 disables repetitive readout
*R<nnnn> - read high byte repeatedly
*W<nnnn> - read word repeatedly
*B<x> - boolean byte function for:
x==0 -> low byte (default) / x!=0 -> high byte
*E<nnnn> - enable external triggering (pin 3.6)
<nnnn> means: <*eda> -> e(egde), d(digital), a(adc)
trigger edge, e: 0=off, 1=rising, 2=falling, 3=both
digital readout, d: 0=none, 1=low, 2=high, 3=word
analog readout, a: 0=none, 1=adc1, 2=adc2, 3=adc1:adc2
*? - paged help page & some extra information
*V - get FW version; answer: "!<version>"
*p - ping; answer: "!PONG"
*Y42 - reset device
*Y99 - restore factory settings (*X<x> settings), requires reset
*C - read config, format:
!<Version>,<DReg><DCache>,<P>,<L>,<*D>,<*O>,<*P>,<*L>,
<*T>,<*t>,<~a>,<~b>,<~P>,<*B>,<*X0>,<*X1>,<*X2>,<*X3>,<*X4>,
<*X5>,<*X6>,<*X7>,<*X8>,<*X9>\r\n
<DReg> = port data register (output latch, not pin state)
<DCache> = port data cache (last value written)
------------------------------
system config commands: (will be stored nonvolatile)
*X0<x> - console echo; x==0 -> off; x!=0 -> on
*X1<x> - append line break or separator after read
x: 0=off 1=\n 2=\r 3=\r\n 4=' ' 5=, 6=; 7=/ 8=Tab
*X2<x> - set BAUD rate: x: 0=2400, 1=4800, 2=9600, 3=19200, 4=38400,
5=57600 (default), 6=115200, 7=230400
*X3<x> - case of hex letters; x: 0=lower case, 1=upper case
*X4<x> - set channel for ADC readout; x: 0=Ch1, 1=Ch2, 2=Ch1 & Ch2
output on dual-channel: <nnnn>:<mmmm> (n=ch1, m=ch2)
*X5<x> - edge triggered readout; x: 0=word, 1=low byte, 2=high byte
*X6<x> - pulse generator main clock frequency; x: 0=1MHz (default), 1=1kHz
*X7<x> - timestamp format; x: 0=no timestamp, 1='HHMMSS-', 2='MMDD.HHMMSS-'
NOTE: lowers performance, always starts at 01.01.1970/00:00:00
*X8<x> - default readout base: x: 0=HEX (default), 1=DEC
*X9<x> - enable opamp; x: 0=disabled (default), 1=enabled (pin 5.2)
Note! For the sake of efficiency, there's no error detection on entering values. So, typing things like 'w03xy' (where the number is partly invalid in this example), will result in whatever. The firmware might even crash (yes, that's how lazy I am). But, commands can be cancelled at any time by typing '.' . Decimal input will overflow at 65535. The resulting value is usually useless but will always be a valid integer.
How to Use from the Command Line
On Windows the module can be controlled via the command 'echo'. To set the BAUD rate of the COM port use:
mode COMx BAUD=57600 PARITY=N DATA=8 STOP=1 xon=off
Replace 'COMx' with the COM port on your computer.
To send commands to the PIO module use:
echo h1c > COMx
That sets the high byte to 1c(hex)/28(dec).
Multiple commands can be sent at once:
echo *Dff00*O00ff*Pffff0l200~a~bff > COMx
Means: "low byte output, high byte input"[*Dff00], "low byte output type: open drain"[*O00ff], "all pull-ups on"[*Pffff], "set low byte to 0″[0l], "set DAC 1 to 200(dec)"[200~a], "set DAC 2 to ff(hex)"[~bff].
Software
The software was developed using Cypresses 'PSoC Creator 4.2'. Link to the project files for the GPIO below. There's not much to do, except for building the project and programming it into the device.
Note that after programming the board, the BAUD rate is always set to 57600 8N1. That's due to the way the flash memory is used to emulate an EEPROM.
Here's a view at the peripheral configuration. Never had thought I would end up needing two pages.
- PSoc Creator project files: GPIO232_16
Other Stuff
I made a set of labels to put on rows of pin sockets on either side of the board.
There’s also a PDF Version in the software package.
The LED on top of the board shows when an input is recognized by toggling on and off. During startup, this LED sends an init-pulse, means that it switches on at the beginning of the init routine and off after the complete init of the controller. After that it switches on again to indicate "power on". The LED is connected to pin 1.6. This pulse sequence is only visible using an oscilloscope. It's meant for diagnosis.
Known Bugs / Missing Features
- Cancelling automatic readouts or monitor modes by [ESC], sometimes crashes the firmware.
- The clock cannot be set, so the timestamps aren't really timestamps. It's more like relative markers of time passed.
- Some of the automatic readouts can interfere with each other, especially egde triggering and external triggering.
- The IO monitor loses trigger events if they occur too fast.
- The pulse generator is quite jittery, which might be caused by timing interference between the timer clock and the flip-flop clock (yes, flip-flops are clocked in this controller (internal syncronisation purposes)).
- The long version of the status screen cannot be displayed in pages.
- There's some crosstalk between the ADC channels. Got no numbers on that.
- In most cases when the firmware crashes the reset command (*Y42) will not work either.
- There's no way to change the BAUD rate without using the the commands. If you have locked yourself out of the device by setting the wrong BAUD rate, you have to change the settings of the COM port you're using to be able to talk to the PIO again.
- There are a few more output driver modes that can't be used by the software.
- The ADC could technically read more than two channels, but configuring many channels through the UI would be a nightmare. There are also two unused 7bit DACs.
- One of the remaining three op-amps could be made available to the user for general use.
- A function to shift and roll data through the bytes/word would be neat.
- Using all the unused pins as inputs with just simple direct readout.
Conclusion
This is probably the most finished project on this page.
New Toy
The ARM-Cortex SoC Microcontroller from Cypress.
To be precise, I got a prototyping board with that µC. It's almost weird to call it a microcontroller. But that's what Cypress calls it, so, whatever.
Big thanks to a good friend of mine who sent it to me.
UPDATE (11. May 2022): Cypress is now owned by Infineon. The links redirect to there.
This is it:
That's the Page: CLICK ME, I'M A HYPERLINK
It's really a nice little device. Besides the usual µC stuff, it has a couple of PGA cells in there. I haven't done anything with PGAs before, so I'm currently just goofing around with it. No real use to me so far. But! There's more! 12bit ADC @ 1MS/s. Direct LCD drive. And four 8bit DACs!!! Plural! I love when µCs bring a DAC, let alone four. The main reason for those is to drive the capacitive sensor module, though.
A quick test of a DAC was cobbled together in an hour (including setting everything up). The waveform looks a bit crooked, though. Don't know what went wrong there, but as I said, just a quick and dirty test.
The ARM core is also pretty cool: 32 bits, 48MHz, comes with 128k Flash and 16k RAM. Their (Cypress) "PSoC Creator" comes with a decent compiler. Setting up the peripherals in the µC is neat. It's done by drag-and-drop. Most of the configuration is done via GUI. The IDE generates a pretty usable API for each module. You still have to dig through the header files, but it's all very self-explanatory. So it's good fun developing software for that thing.
Since I have no immediate use for it, I decided to implement a simple litte project.
The Project
Once in a while I need a quick way to get a few GPIO lines toggled from a PC. In a simple way. It's easy to get 8bit PIOs with USB that bring a library to use it via C/C++. While this not a huge problem for me, it's not what I'd call "quick" or "simple". The main problem however, is that sometimes 8bits is just not enough. Getting a decent 16bit PIO for USB is a lot harder. Especially with those words "quick" and "simple" lurking behind the corner.
Therefore, I'm going to use a 48MHz 32bit "computer" to be a RS232 to 16bit GPIO device.
Overkill? Of course! … because I can …
Since the main controller has no USB module, I just use one of the UARTs for RS232 and a standard RS232-to-USB converter.
The firmware implements a simple (fast) protocol to control the IO signals. The commands are just sent one after another without any separator or terminator.
The last line shows how the protocol works.
'!' – acknowledge for the command *X01 to enable echoing (no echo by default)
'*D0000' – set all lines output
'!' – acknowledge for *D
'*.' – a mistake I made. I accidentally typed the '*' so I cancelled the input with '.'
'#' – acknowledge for the cancellation.
'wffff' – all outputs high
'laa' – low byte 0xAA
'h55' – high byte 0x55
Non-config commands aren't acknowledged, so no '!' after 'w', 'l' and 'h'.
There are a few features I have in mind that aren't implemented yet – according to the motto of this blog: Everything unfinish..
